

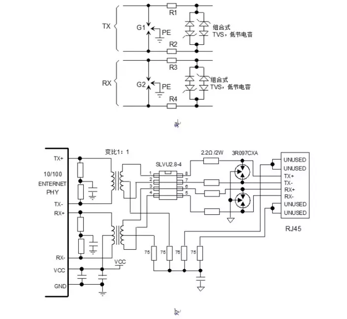
室外防雷:

· 采用三极气体放电管(如3R097CXA)和TVS管(如SLVU2.8-4)二级防护。
· RJ45到气体放电管走线加粗至40mil,退耦电阻到变压器走线15mil。
室内防雷:

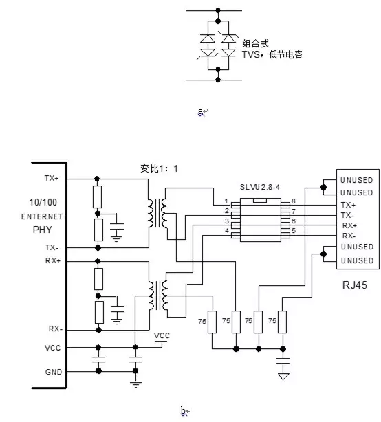
· 依赖变压器隔离特性,选用低结电容TVS管(如SLVU2.8-4或LC03-3.3)。
· 高压侧(变压器初级)与低压侧严格分区设计。
· 
网口指示灯电源需退耦(磁珠+电容),驱动线靠近PHY并滤波。
高速信号优先参考地平面,避免跨越电源分割区。
去耦电容布局需环路面积最小化,引线最短(如紧贴器件引脚)。


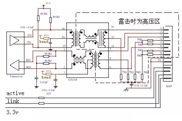
三.网口防雷设计与电路组成
网口电路在雷击时会承受高压,需划分为高压区(网线及相连电路)和低压区(指示灯、电源等)。高压区包括网线、Bob-Smith电路匹配电阻等;低压区含指示灯驱动线、3.3V电源、PGND等。
3.1关键设计要点
变压器选型
初级与次级间绝缘耐压需≥AC1500V,确保共模隔离能力。
指示灯设计
优先选用无灯RJ45。若需指示灯,采用导光柱技术避免信号穿越高压区。限流电阻应靠近控制芯片,防止过压冲击。
信号走线规则
以太网差分线需阻抗匹配且等长,避免信号失真。
Bob-Smith电路设计
· 电容耐压≥DC2000V,电阻功率选1/10W单电阻(禁用排阻)。
· 每个网口独立使用Bob-Smith电路,禁止多接口复用。
PCB布局隔离
· 高压线(差分线、Bob-Smith走线)与低压线(指示灯、电源)需保持足够绝缘距离。
· 6层以上PCB禁止高压线与低压线相邻层布线。
3.2高低压绝缘耐压数据


耐压能力排序(相同距离下):
接地螺钉 < 电容/电阻焊盘 < 过孔 < 表层走线 < 内层走线。
原因:螺钉金属面积大易放电;电容/电阻焊盘有棱角易尖端放电;过孔金属面积较小;表层走线有绿油绝缘;内层走线被介质包围更安全。
4kV防护等级下的最小绝缘距离:
· 高压走线与低压走线:20mil
· 高压走线与螺钉:40mil
· 高压过孔与低压焊盘:53mil
3.3网络变压器的作用
中心抽头接法差异
· 电压驱动型PHY芯片:中心抽头接电源(如3.3V/2.5V)。
· 电流驱动型PHY芯片:中心抽头通过电容接地。
变压器核心功能
1. 信号增强:延长传输距离。
2. 隔离保护:防止雷击和外部干扰损坏芯片。
3. 电平兼容:适配不同电压PHY芯片(如2.5V与3.3V设备互连)。
能否省略变压器?
理论上可行,但会导致传输距离缩短、抗干扰能力下降,且易受电平不匹配影响。
3.4其他防护方案
· RJ45管脚前端放电:利用绝缘放电,成本低且节省PCB空间。
· 变压器抽头空气放电:类似原理,适用于紧凑设计。
适用场景
推荐用于室内长距离(>50米)非屏蔽网线环境,防护能力达共模2kV~4kV、差模0.5kV。